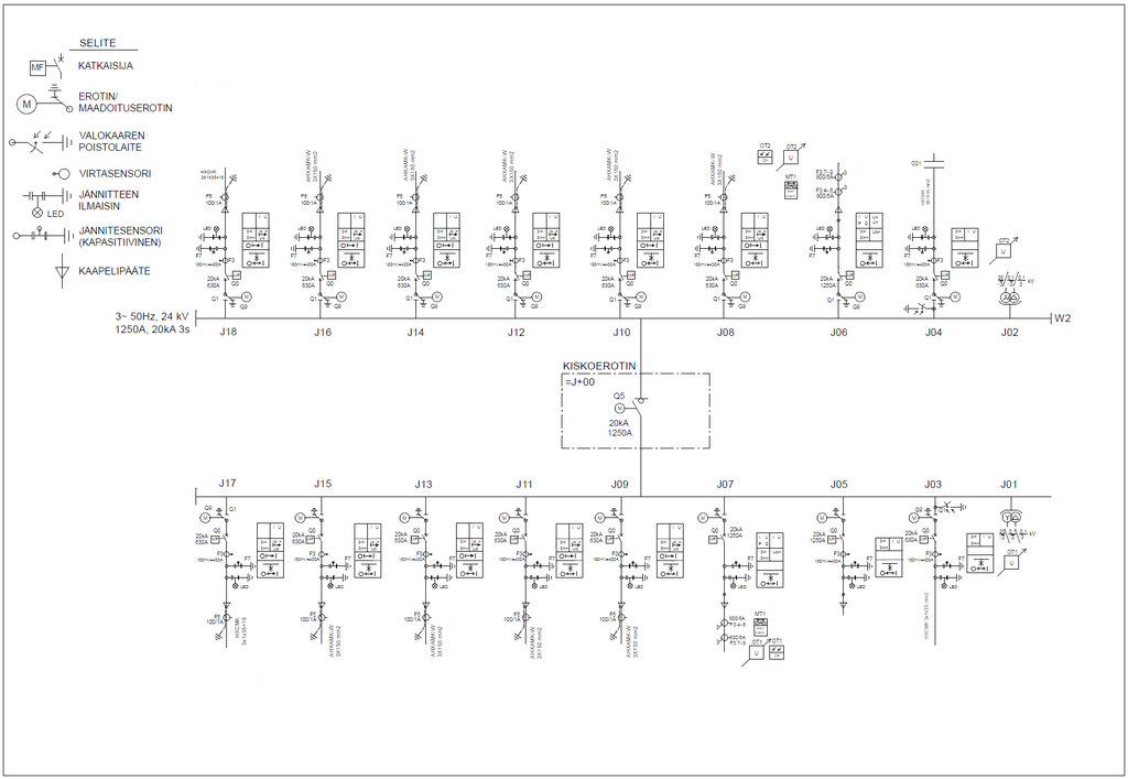
VM1 ABB AX1 24kV kojeisto - 8 katkaisijaa saatavilla

https://uusiotek.fi/web/image/product.template/5470/image_1920?unique=94c47a5

    Tätä yhdistelmää ei ole olemassa.

    16 kpl varastossa